Lok Type Fitting Lok Fitting - Female Elbow NPT / PT
| Product Name | Lok Fitting - Female Elbow NPT / PT |
|---|---|
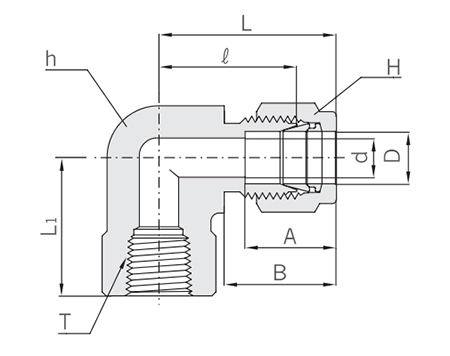
| Features | ㄱ (Straight) Type connection for one tubing with Female NPT / PT |
| Features | Double ferrule design |
| Features | Designed based on ANSI B31.1, 31.3 standard |
| Features | Available to use for low temp to high temp |
| Features | Fitting components provide exceptional dimensional, metallurgical, and mechanical uniformity that allow predictable, repeatable installation. |
| Features | Possible to measure consistent with the first installation |
List
본문
Detail view
Lok Type FittingsIt can be applied to various process and system configuration of the whole industry such as plant industry, chemical, water jet, oil, gas, etc
|
| HIFLUX Lok Fitting (FLUXLOK) can be applied for various industries such as chemical, petrol chemical, waterjet , fliud research industries, gas and oil industries. |
|
FeaturesWe will guide you through the product’s features and benefits.
|
ㄱ (Straight) Type connection for one tubing with Female NPT / PT. Double ferrule design. Designed based on ANSI B31.1, 31.3 standard. Available to use for low temp to high temp. Fitting components provide exceptional dimensional, metallurgical, and mechanical uniformity that allow predictable, repeatable installation. Meet NPT (National pipe thread) threads standard. Possible to measure consistent with the first installation. Used ASTM A479 Stainless steel 316 for straight type of fittings. Used ASTM A182 forged Stainless steel 316 for elbow, tee and cross type of fittings. Technical Information : [ Tubing O.D Hardness]
|
|
SpecificationWe will guide you through the model name, specifications, and dimensions for each product.
|
As all sizes are for reference, they can be changed without any notification. Please contact us for details or send to online inquiry, we will give you respond as soon as possible. For the most effective fitting, it is recommended to use Fitting Accessory and Tubing of HIFLUX.
|
|
AssemblyWe will guide you through the assembly process of fitting and tube.
|
![]() 1. Fully insert the tube into the fitting and against the shoulder; rotate the nut finger-tight. 2. Mark the nut at the 6 o’clock position. 3. While holding the fitting body steady, tighten the nut one and one-quarter turns to the 9 o’clock position. |
|
ApplicationCheck out the products applied in various fields.
|
FLUXLOK is brand for Lok fitting of HIFLUX Co., Ltd. Suitable for chemical, oil refining, research, oil and gas companies, this product is used for various pressures. Has not torque transition for tubing in installation. Can be checked and inspected easily during the first installation. |
![]() |


ㄱ (Straight) Type connection for one tubing with Female NPT / PT.

FLUXLOK is brand for Lok fitting of HIFLUX Co., Ltd.